
14. OPTIONAL PARTS (1) ACCESSORIES (REMOTE CONTROL)Click Here for Microfiche Usage Tip
![]() Parts List
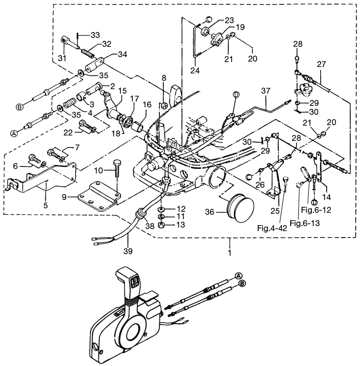
2010 :: 5 HP :: 4 Stroke Tohatsu MFS5B :: OPTIONAL PARTS (1) ACCESSORIES (REMOTE CONTROL)
Parts Description
Parts Description
Parts Description
Parts Description
Parts Description
Parts Description
Parts Description
Parts Description
Parts Description
Parts Description
Parts Description
Parts Description
Parts Description
Parts Description
Parts Description
Parts Description
Parts Description
Parts Description
Parts Description
Parts Description
Parts Description
Parts Description
Parts Description
Parts Description
Parts Description
Parts Description
Parts Description
Parts Description
Parts Description
Parts Description
Parts Description
Parts Description
Parts Description
Parts Description
Parts Description
Parts Description
Parts Description
Parts Description
Parts Description
|

